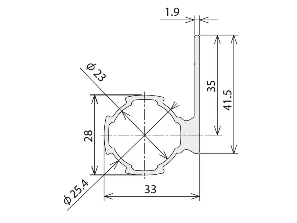
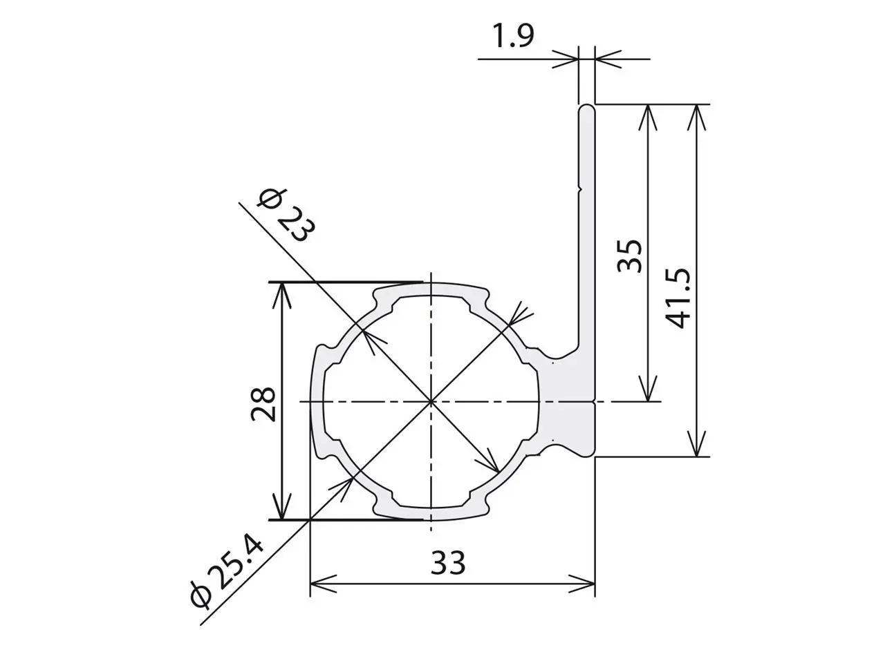
Profilo GF-N Ø28 mm F35 L=4000 mm
Il profilo in alluminio
Green Frame F35 è un componente funzionale progettato per l'integrazione nel sistema modulare da
28 mm. Si caratterizza per la presenza di un'
ala piatta longitudinale da 35 mm, che lo rende una variante più compatta e discreta rispetto al modello F50, pur mantenendo le medesime finalità operative.


