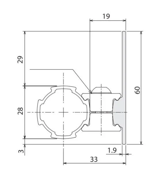
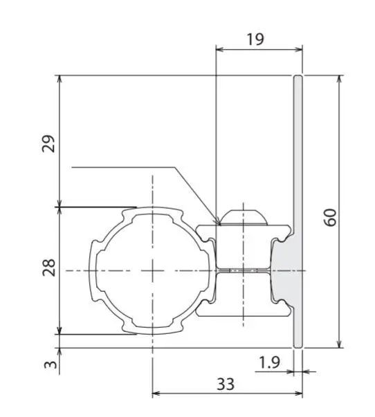
Targhetta In Alluminio H=60 mm L=4000 mm
Targhetta identificativa in alluminio modello GFF-018, progettata come accessorio per sistemi modulari della serie GF-N (Ø28 mm). Può essere fissata ai telai tramite appositi connettori ed è disponibile in lunghezze da 100 a 4000 mm. Ideale per l’identificazione e l’organizzazione di strutture tecniche e industriali.


